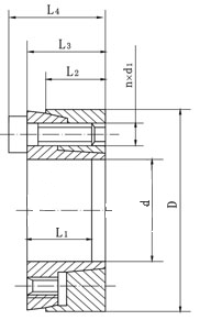
Z15型鎖緊聯結盤
產品分類: 脹緊套
Z15型鎖緊聯結盤,各配合表面壓力很大并完全密封,避免了配合面的銹蝕.拆卸時,擰松螺栓,配合面自動放松,軸套及錐形圈自動回復到原始尺寸。
訂購熱線:15326245655
立即咨詢產品詳情


推薦產品
-
YLD型凸緣聯軸器
凸緣聯軸器(亦稱法蘭聯軸器)是利用螺栓聯接兩凸緣(法蘭) -
GL型滾子鏈聯軸器
曲面齒鏈輪聯軸器,鏈條聯軸器,GL型滾子鏈聯軸器,GL型滾子鏈連軸 -
LM(ML)系列梅花形彈性聯軸器
梅花形彈性聯軸器具有以下特點:花形彈性聯軸器結構簡單,徑向 -
GⅡCL型—鼓形齒式聯軸器
鼓形齒式聯軸器具有徑向、軸向和角向等軸線偏差補償能力,具


![[field:text/]](/uploads/allimg/131103/2-1311031542020-L.jpg)